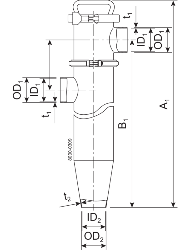
SLOT STRAINER LKSF-CL WELDING

Manufacturer:Alfa Laval
Item number: 9612926630
In stock:
Green marker: Product is usually in stock. Yellow marker: Lead time may vary. For time-sensitive orders, please contact us to verify current availability. Note: International shipping may require additional time.
Delivery time:On request

  • Strainer type: 105 μm
  • Size iso: 76.1
  • Connection type: Welding ends
  • Strainer area cm2: 1100
  • Slot size standart: 105 μm
  • Item Weight: 9
  • Country of origin: Denmark
Price:
Request for price
Prices shown are without VAT.